Baofeng Uv 3r Schematic Diagram Baofeng Uv-3r
Connecting baofeng uv 5r to computer : usb programming cable software [view 35+] schematic diagram baofeng uv5r Baofeng uv-3r
Baofeng Speaker Mic Wiring Diagram
Como hacer una interfaz o cable de programación para handy baofeng uv [get 37+] schematic diagram baofeng uv5r Uv baofeng 5r duso
Baofeng speaker mic wiring diagram
[36+] baofeng uv-5r schematic pdfBaofeng uv 5r schematic Baofeng uv5r programming software – spegel med belysningBaofeng repeater interface schematic.
[get 37+] schematic diagram baofeng uv5rUv 3r baofeng alarm disable after uuki kapsi fi Baofeng uv-3r manualBaofeng uv-3r charger repair – f4huy.
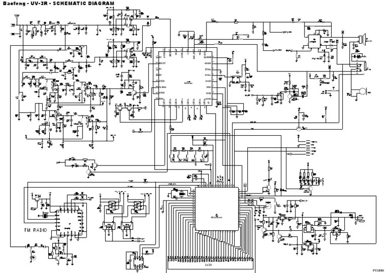
Baofeng 3r
Baofeng schematic uv 5r uv5r programming instructables arduino vanniniBaofeng uv-3r Baofeng uv 5r schematicManuale istruzioni baofeng uv5r. familyzone.it.
Baofeng uv 5r cheat sheetUv 3r baofeng схема до входной от антенны части techn qrz Baofeng uv 5r repair manualBaofeng uv-3r schematic.

Baofeng uv-3r manual
[36+] baofeng uv-5r schematic pdfBaofeng uv-3r Baofeng uv 3r инструкция на русском[get 37+] schematic diagram baofeng uv5r.
Decoding the baofeng uv-5r schematic: a comprehensive guideBaofeng inside circuit recently seen shows posted which board Index of /baofeng/uv-3rBaofeng schema headset.

[view 30+] schematic baofeng uv 5r
[view 35+] schematic diagram baofeng uv5rBaofeng uv-3r user manual it Baofeng uv 3r programmingBaofeng bf-888s schematic diagram.
Baofeng 5r uv uv5r ham allstar nodes vannini[view 30+] schematic baofeng uv 5r [view 35+] schematic diagram baofeng uv5rHamradio.in.
Delboy's radio blog: baofeng uv3r+ inside
.
.



![[36+] Baofeng Uv-5r Schematic Pdf](https://i2.wp.com/www.qrzcq.com/pub/RADIO_MANUALS/YAESU/YAESU--VX-5-Schematic-b.jpg)


